Шарнирный комплект, приводной вал 26020959 CHEVROLET
Оригинал| Бренд: | CHEVROLET |
| Артикул: | 26020959 |
Запросить цену
Заказать
- Описание
- Применимость
- Дополнительная информация
Описание товара: CHEVROLET 26020959
Информация о товаре: CHEVROLET 26020959
Производитель: CHEVROLET
Номер детали: 26020959
Шарнирный комплект, приводной вал CHEVROLET 26020959, производитель CHEVROLET, номер автозапчасти 26020959 купить по цене руб. в онлайн магазине мерседес автозапчастей.
Производитель: CHEVROLET
Номер детали: 26020959
Шарнирный комплект, приводной вал CHEVROLET 26020959, производитель CHEVROLET, номер автозапчасти 26020959 купить по цене руб. в онлайн магазине мерседес автозапчастей.

Аналоги - 26020959 CHEVROLET
-
-
-
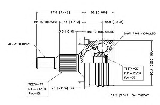
AUTEX- Сторона установки: Со стороны колеса
- Внешнее зацепление со стороны колеса: 33
- Внутренне зубчатое соединение со стороны колеса: 32
- Диаметр прокладки [мм]: 73
- Длина [мм]: 143
- Спецификация: Groove Type : Outer
-
-
GSP- Сторона установки: Со стороны колеса
- Внешнее зацепление со стороны колеса: 33
- Внутренне зубчатое соединение со стороны колеса: 32
- Диаметр прокладки [мм]: 73
- Длина [мм]: 143
- Спецификация: Groove Type : Outer
| Подбор по параметрам |
|
Сторона установки
Длина [мм]
Спецификация
Производитель
|