
Аналоги - PB 1194C STARLINE
-
STARLINE- для артикула №: 08.5691.10
- Тип тормозного диска: Полный
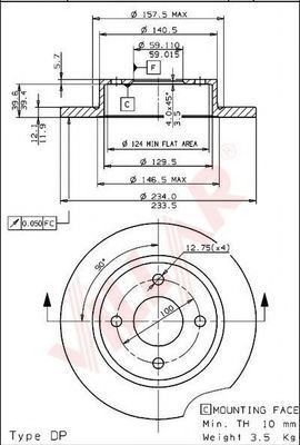
- Диаметр [мм]: 234
- Толщина тормозного диска (мм): 12
- Минимальная толщина [мм]: 10
- Высота [мм]: 45,2
- Диаметр центрирования [мм]: 59
- Количество отверстий: 4
- Момент затяжки [Нм]: 110
-
ST-TEMPLIN- Сторона установки: Передний мост
- Толщина [мм]: 12
- Диаметр [мм]: 234
- Высота [мм]: 45,2
- Тип тормозного диска: Полный
- Минимальная толщина [мм]: 10
- Расположение/число отверстий: 04/04
- Поверхность: Без покрытия
-
ROTINGER- Тип тормозного диска: С отверстиями / Полный
- Диаметр [мм]: 233,8
- Внутренний диаметр: 129,6
- Диаметр центрирования [мм]: 59,1
- Высота [мм]: 45,3
- Толщина тормозного диска (мм): 12
- Минимальная толщина [мм]: 10
- Количество отверстий: 4
- Размер резьбы: 12,70
- ? фаски 2 [мм]: 100
-
STOP- Сторона установки: Передний мост
- Диаметр [мм]: 234
- Высота [мм]: 45,2
- Тип тормозного диска: Полный
- Толщина тормозного диска (мм): 12
- Минимальная толщина [мм]: 10
- Количество отверстий: 4
-
SWAG- Толщина тормозного диска (мм): 12
- Число отверстий в диске колеса: 4
- Наружный диаметр [мм]: 234
- Тип тормозного диска: Полный
- Сторона установки: Передний мост
- необходимое количество: 2
-
TRW- Поверхность: Лакированный
- Тип тормозного диска: Полный
- Диаметр [мм]: 234
- Толщина тормозного диска (мм): 12
- Минимальная толщина [мм]: 10
- Количество отверстий: 4
- Цвет: Черный
-
VAICO- Число отверстий в диске колеса: 4
- Диаметр [мм]: 234
- Высота [мм]: 45,2
- ? отверстия [мм]: 12,5
- Тип тормозного диска: Полный
- Толщина тормозного диска (мм): 12
- Минимальная толщина [мм]: 10
- Внутренний диаметр: 129,5
- Количество отверстий: 4
- Диаметр центрирования [мм]: 59
- ? фаски 2 [мм]: 100
- Сторона установки: Передний мост
-
VILLAR- для артикула №: 628.1292
- Диаметр [мм]: 234
- Высота [мм]: 45,2
- Тип тормозного диска: Полный
- Толщина тормозного диска (мм): 12
- Минимальная толщина [мм]: 10
- Количество отверстий: 4
- Диаметр центрирования [мм]: 59
- Момент затяжки [Нм]: 10
-
WAGNER- Сторона установки: Передний мост
- Диаметр [мм]: 234
- Высота [мм]: 45,2
- Вес [кг]: 7,59
- Тип тормозного диска: Полный
- Толщина тормозного диска (мм): 12
- Минимальная толщина [мм]: 10
- Количество отверстий: 4
- Диаметр центрирования [мм]: 59
- Момент затяжки [Нм]: 10
- Опции: Без винтов
Всего товаров: 49
| Подбор по параметрам |
|
Сторона установки
Тип тормозного диска
Поверхность
Опции
Производитель
|